Product Summary
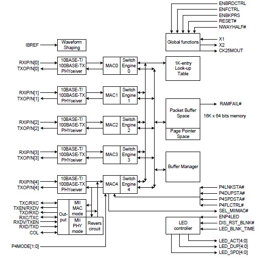
The RTL8305SB is a highly integrated layer 2 single chip switch controller which incorporates 5 MACs (Media Access Controller), 5 physical layer transceivers, 1-Mbit SRAM and 1K-entry look-up table into one single chip. The RTL8305SB contains 5 ports, and each one provides support for a 10Base-T (10Mbps) or 100Base-TX (100Mbps) network connection. The fifth port (port 4) can be configured as a MII/SNI to work with a routing engine, HomePHY or a fiber transceiver for a 100Base-FX application. And each operation mode can be easily set up by hardware strapping upon restart or power-on. The RTL8305SB is designed for a stand-alone switch system through hardware strapping upon reset to achieve unmanaged operation and can be easily integrated with xDSL/Cable modem router.
Parametrics
RTL8305SB absolute maximum ratings: (1)Storage Temperature: -45 to +125 ℃; (2)Vcc Supply Referenced to GND: -0.5 to +4.0 V; (3)Digital Input Voltage: -0.5 to Vcc V; (4)DC Output Voltage: -0.5 to Vcc V.
Features
RTL8305SB features: (1)PHY mode MII/SNI interface for router application; (2)MAC mode MII interface for HomeLAN/100Base-FX application; (3)1Mbit internal RAM for packet buffer; (4)Internal 1K look-up table entries; (5)25MHz crystal or OSC input; (6)Non-blocking wire-speed reception and transmission; (7)Fully compliant with IEEE 802.3/802.3u; (8)Supports broadcast storm filtering function; (9)Support full duplex 802.3x flow control and half duplex back-pressure flow control; (10)LED indicators for link/activity, speed, full/half duplex and collision; (11)LEDs blinking upon reset for LED diagnostics; (12)Unmanaged operation by strapping upon reset; (13)Power saving with cable detection; (14)Low power consumption at 3.3V operating voltage; (15)128-pin PQFP package.
Diagrams

| Image | Part No | Mfg | Description | ![]() |
Pricing (USD) |
Quantity | ||||
|---|---|---|---|---|---|---|---|---|---|---|
![]() |
![]() RTL8305SB |
![]() Other |
![]() |
![]() Data Sheet |
![]() Negotiable |
|
||||
| Image | Part No | Mfg | Description | ![]() |
Pricing (USD) |
Quantity | ||||
![]() |
![]() RTL8019 |
![]() Other |
![]() |
![]() Data Sheet |
![]() Negotiable |
|
||||
![]() |
![]() RTL8019AS |
![]() Other |
![]() |
![]() Data Sheet |
![]() Negotiable |
|
||||
![]() |
![]() RTL8019AS-LF |
![]() Other |
![]() |
![]() Data Sheet |
![]() Negotiable |
|
||||
![]() |
![]() RTL8029AS |
![]() Other |
![]() |
![]() Data Sheet |
![]() Negotiable |
|
||||
![]() |
![]() RTL8100B(L) |
![]() Other |
![]() |
![]() Data Sheet |
![]() Negotiable |
|
||||
![]() |
![]() RTL8100C |
![]() Other |
![]() |
![]() Data Sheet |
![]() Negotiable |
|
||||
(Hong Kong)









