Product Summary
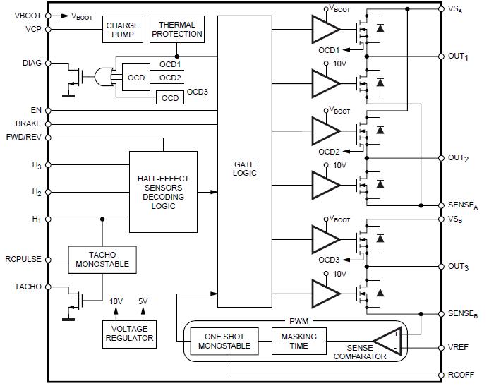
The L6235D013TR is a DMOS Fully Integrated Three-Phase Motor Driver with Overcurrent Protection. Realized in MultiPower-BCD technology, the device combines isolated DMOS Power Transistors with CMOS and bipolar circuits on the same chip. The L6235D013TR includes all the circuitry needed to drive a three-phase BLDC motor including: a three-phase DMOS Bridge, a constant off time PWM Current Controller and the decoding logic for single ended hall sensors that generates the required sequence for the power stage.
Parametrics
L6235D013TR absolute maximum ratings: (1)Supply Voltage, VS: 60 V; (2)Differential Voltage between: VSA, OUT1, OUT2, SENSEA and VSB, OUT3, SENSEB, VOD: 60 V; (3)Bootstrap Peak Voltage, VBOOT: VS +10 V; (4)Logic Inputs Voltage Range, VIN, VEN: -0.3 to 7 V; (5)Voltage Range at pin VREF, VREF: -0.3 to 7 V; (6)Voltage Range at pin RCOFF, VRCOFF: -0.3 to 7 V; (7)Voltage Range at pin RCPULSE, VRCPULSE: -0.3 to 7 V; (8)Voltage Range at pins SENSEA and SENSEB, VSENSE: -1 to 4 V; (9)Pulsed Supply Current (for each VSA and VSB pin), IS(peak): 7.1 A; (10)Supply Current (for each VSA and VSB pin), DC: 2.8 A; (11)Storage and Operating Temperature Range, Tstg, TOP: -40 to 150℃.
Features
L6235D013TR features: (1)Operating supply voltage from 8 to 52V; (2)5.6A output peak current (2.8A DC); (3)RDS(ON) 0.3W TYP. VALUE @ Tj = 25℃; (4)Operating frequency up to 100KHz; (5)Non dissipative overcurrent detection and protection; (6)Diagnostic output; (7)Constant tOFF PWM current controller; (8)Slow decay synchr. rectification; (9)60° & 120° hall effect decoding logic; (10)Brake function; (11)Tacho output for speed loop; (12)Cross conduction protection; (13)Thermal shutdown; (14)UNdervoltage lockout; (15)Integrated fast freeweeling diodes.
Diagrams

| Image | Part No | Mfg | Description | ![]() |
Pricing (USD) |
Quantity | ||||||||||||
|---|---|---|---|---|---|---|---|---|---|---|---|---|---|---|---|---|---|---|
![]() |
![]() L6235D013TR |
![]() STMicroelectronics |
![]() Motor / Motion / Ignition Controllers & Drivers Three Phase Motor |
![]() Data Sheet |
![]()
|
|
||||||||||||
| Image | Part No | Mfg | Description | ![]() |
Pricing (USD) |
Quantity | ||||||||||||
![]() |
![]() L6230PD |
![]() STMicroelectronics |
![]() Motor / Motion / Ignition Controllers & Drivers DMOS Driver 3-Phase Brushless DC Motor |
![]() Data Sheet |
![]()
|
|
||||||||||||
![]() |
![]() L6230PDTR |
![]() STMicroelectronics |
![]() Motor / Motion / Ignition Controllers & Drivers DMOS 3-Phase Brushless DC Motor |
![]() Data Sheet |
![]()
|
|
||||||||||||
![]() |
![]() L6230Q |
![]() STMicroelectronics |
![]() Motor / Motion / Ignition Controllers & Drivers DMOS 3-Ph Motor 8 to 52V 2.8A Driver |
![]() Data Sheet |
![]()
|
|
||||||||||||
![]() |
![]() L6230QTR |
![]() STMicroelectronics |
![]() Motor / Motion / Ignition Controllers & Drivers DMOS 3-Ph Motor 8 to 52V 2.8A Driver |
![]() Data Sheet |
![]()
|
|
||||||||||||
![]() |
![]() L6232E |
![]() Other |
![]() |
![]() Data Sheet |
![]() Negotiable |
|
||||||||||||
![]() |
![]() L6234 |
![]() STMicroelectronics |
![]() Motor / Motion / Ignition Controllers & Drivers Three Phase Motor |
![]() Data Sheet |
![]()
|
|
||||||||||||
(Hong Kong)










