Product Summary
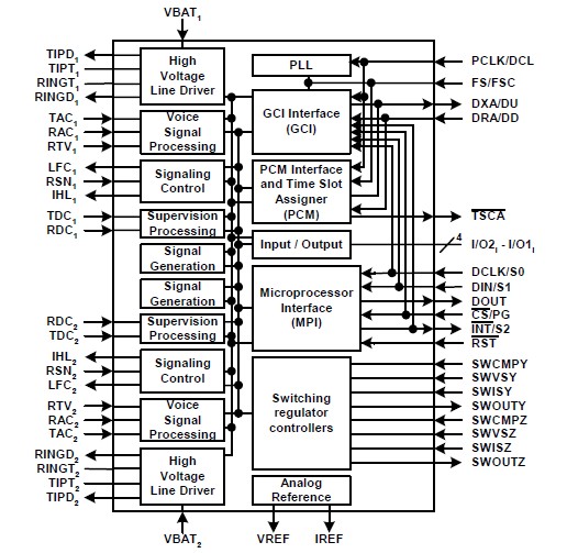
The LE88276DLC is a dual channel tracking battery wideband voiceport. It implements a dual-channel telephone line interface by providing all the necessary voice interface functions from the high voltage subscriber line to the μP/DSP digital interface. The LE88276DLC reduces system level cost, space, and power. It features are crucial for designing costeffective, full-featured Voice over Broadband solutions. The applications of the LE88276DLC include: (1)Voice enabled Cable and DSL Modems; (2)Residential VoIP Gateways and Routers; (3)Media Terminal Adapters (MTA) Standalone & Embedded; (4)Fiber to the Premise/Home/Building (FTTP/H/B), Fiber in the Loop (FITL) Optical Network Terminals (ONT); (5)Wireless Local Loop (WLL), PBX, ISDN NT1/TA.
Features
LE88276DLC features: (1)Integrated Power Management; (2)Worldwide Programmability; (3)Powerful signal generator; (4)VoicePath API-II Software available to implement FXS functions; (5)VeriVoice Test Suite Subscriber Loop Test; (6)Pin selectable PCM/MPI or GCI interface; (7)G.711 μ-law, A-law, or 16 bit linear coding; (8)Wideband 16 kHz sampling mode; (9)Integrated 150 mW 3-V Relay Driver— External catch diode required; (10)Small footprint package - Exposed pad 80-pin LQFP.
Diagrams

![]() |
![]() LE88231DLC |
![]() Other |
![]() |
![]() Data Sheet |
![]() Negotiable |
|
||||
(Hong Kong)








