Product Summary
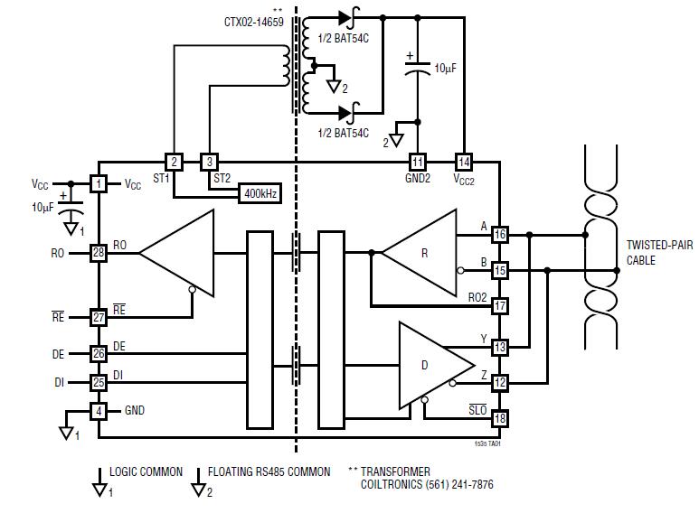
The LTC1535CSW#TRPBF is an isolated RS485 full-duplex differential line transceiver. Isolated RS485 is ideal for systems where the ground loop is broken to allow for much larger common mode voltage ranges. An internal capacitive isolation barrier provides 2500VRMS of isolation between the line transceiver and the logic level interface. The powered side contains a 400kHz push-pull converter to power the isolated RS485 transceiver. Internal full-duplex communication occurs through the capacitive isolation barrier. The transceiver meets RS485 and RS422 requirements. The applications of the LTC1535CSW#TRPBF include Isolated RS485 Receiver/Driver, RS485 with Large Common Mode Voltage, Breaking RS485 Ground Loops, Multiple Unterminated Line Taps.
Parametrics
LTC1535CSW#TRPBF absolute maximum ratings: (1)VCC to GND: 6V; (2)VCC2 to GND2: 8V; (3)Control Input Voltage to GND: -0.3V to (VCC + 0.3V); (4)Driver Input Voltage to GND: -0.3V to (VCC + 0.3V); (5)Driver Output Voltage (Driver Disabled) to GND2: (VCC2 – 13V) to 13V; (6)Driver Output Voltage (Driver Enabled) to GND2: (VCC2 – 13V) to 10V; (7)Receiver Input Voltage to GND2: ±14V; (8)Receiver Output Voltage: -0.3V to (VCC + 0.3V); (9)Operating Temperature Range: 0℃ ≤ TA ≤ 70℃; (10)Lead Temperature (Soldering, 10 sec): 300℃.
Features
LTC1535CSW#TRPBF features: (1)UL Rated Isolated RS485: 2500VRMS; (2)Half- or Full-Duplex; (3)Eliminates Ground Loops; (4)350kBd Maximum Data Rate; (5)Self-Powered with 400kHz Converter; (6)Fail-Safe Output High for Open or Shorted Receiver Inputs; (7)Short-Circuit Current Limit; (8)Slow Slew Rate Control; (9)68kW Input Impedance Allows Up to 128 Nodes; (10)Thermal Shutdown; (11)8kV ESD Protection On Driver Outputs and Receiver Inputs.
Diagrams

| Image | Part No | Mfg | Description | ![]() |
Pricing (USD) |
Quantity | ||||||||||
|---|---|---|---|---|---|---|---|---|---|---|---|---|---|---|---|---|
![]() |
![]() LTC1535CSW#TRPBF |
![]() |
![]() IC TRANSCEIVER RS485 ISO 28SOIC |
![]() Data Sheet |
![]()
|
|
||||||||||
| Image | Part No | Mfg | Description | ![]() |
Pricing (USD) |
Quantity | ||||||||||
![]() |
![]() LTC1040 |
![]() Other |
![]() |
![]() Data Sheet |
![]() Negotiable |
|
||||||||||
![]() |
![]() LTC1040CN |
![]() |
![]() IC COMPARATOR LOW PWR DUAL 18DIP |
![]() Data Sheet |
![]()
|
|
||||||||||
![]() |
![]() LTC1040CN#PBF |
![]() |
![]() IC COMPARATOR LOW PWR DUAL 18DIP |
![]() Data Sheet |
![]()
|
|
||||||||||
![]() |
![]() LTC1040CSW |
![]() |
![]() IC COMPARATOR LOW PWR DUAL18SOIC |
![]() Data Sheet |
![]()
|
|
||||||||||
![]() |
![]() LTC1040CSW#PBF |
![]() |
![]() IC COMPARATOR LOW PWR DUAL18SOIC |
![]() Data Sheet |
![]()
|
|
||||||||||
![]() |
![]() LTC1040CSW#TR |
![]() |
![]() IC COMPARATOR DUAL LOWPWR 18SOIC |
![]() Data Sheet |
![]()
|
|
||||||||||
(Hong Kong)












