Product Summary
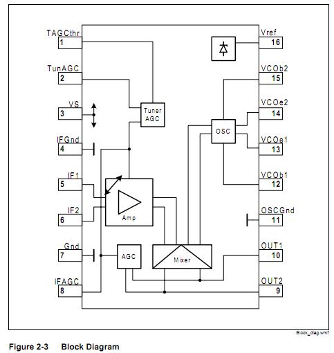
The TDA6190TGEG is a bipolar integrated circuit for amplification and down conversion of modulated IF signals used for DVB on cable or for terrestrial transmission. The applciations of the device include: for use in TV or cable set-top receivers for Digital Video Broadcast.
Parametrics
TDA6190TGEG absolute maximum ratings: (1)Reference current, IVref; -10 to 1mA; (2)Tuner AGC output, VTunAGC: -0.3 to 13,2 V; (3)IFAGC, VIFAGC: -0.3 to Vref V; (4)IF input, VIF1/IF2: -0.3 to 4V; (5)Supply voltage, VVs: -0.3 to 6V; (6)Mixer outputs, IOUT1/OUT2: -5 to 1mA; (7)VCO, VVCO: -0.3 to 4V; (8)VCO, IVCO: -3 mA; (9)Tuner AGC threshold, VTAGCthr: -0.3 to Vref V; (10)Junction temperature, Tj: 125℃; (11)Storage temperature, Tstg: -40 to 125℃; (12)Thermal resistance, Rth SA: 110 K/W; (13)ESD protection, VESD: -4 to +4 kV.
Features
TDA6190TGEG features: (1)Input frequency range of 30 to 70 MHz; (2)External gain control for integrated variable gain amplifier; (3)Output for adjustable delayed tuner AGC; (4)Integrated low noise VCO circuitry with external varactor diode or crystal; (5)Broadband outputs for the down converted IF signal ; (6)Internal low noise reference voltage source; (7)Full ESD protection.
Diagrams

![]() |
![]() TDA6051-5X |
![]() Other |
![]() |
![]() Data Sheet |
![]() Negotiable |
|
||||
![]() |
![]() TDA6060G |
![]() Other |
![]() |
![]() Data Sheet |
![]() Negotiable |
|
||||
![]() |
![]() TDA6111QU |
![]() NXP Semiconductors |
![]() Video Amplifiers VIDEO OUTPUT AMP |
![]() Data Sheet |
![]() Negotiable |
|
||||
![]() |
![]() TDA6111Q/N4,112 |
![]() NXP Semiconductors |
![]() Video Amplifiers VIDEO OUTPUT AMP |
![]() Data Sheet |
![]() Negotiable |
|
||||
![]() |
![]() TDA6151-5X |
![]() Other |
![]() |
![]() Data Sheet |
![]() Negotiable |
|
||||
![]() |
![]() TDA6160 |
![]() Other |
![]() |
![]() Data Sheet |
![]() Negotiable |
|
||||
(Hong Kong)









